电力电缆交流耐压试验作业指导书(2)

三新电力 2015-01-09 10:24

五.试验前准备

根据相关规程或制造次行家的规定值确定试验电压,并根据试验电压和所试电缆的电容及长度选择合适的电源设备,测量仪表和保护电阻。如试验电压较高,则推荐采用串联谐振以降低试验电源的容量,试验前应根据相关数据计算电抗器、变压器的参数,以保证谐振回路能够匹配以达到所需的试验电压和电流。

试验前先进行主绝缘电阻和交叉互联、外护套的试验,各项试验合格后在进行本项试验。

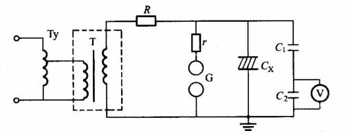
六、接线原理图

1.工频耐压试验接线图

Ty—调压器;T—试验变压器;R—限流电阻;r—球隙保护电阻;

G—球间隙;Cx—被试品;C1、C2—电容分压器;V—电压表

左图­­——工频 串联谐振耐压试验接线图;右图——变频串联谐振耐压试验接线图

七.试验方法

1.检查试验电源、调压器和试验变压器正常。按接线图准备试验,保证所有试验设备、仪表仪器接线正确、指示正确。

2.一切设备仪表接好后,在空载条件下调整保护间隙,其放电电压为试验电压的110%一120%范围内(如采用串联谐振,需要另外的变压器调整保护间隙)。并调整试验电压在高于试验电压5%下维持2 min后将电压降至零,拉开电源。

3.经过限流电阻R在高压侧短路,调整过流保护跳闸的可靠性。

4.电压和电流保护调试检查无误,各种仪表接线正确后,即可将高压引线接到被试绕组上进行试验。

5.升压必须从零开始,升压速度在40%试验电压以内可不受限制,其后应均匀升压,速度约每秒3%的试验电压。升至试验电压后维持规程所规定时间。

6.将电压降至零,拉开电源,该试验结束。

八.试验结果判断依据

如果试验中未发生击穿放电现象,则认为试验通过。

九.注意事项

1.试验前应明确耐压值按制造厂的规定还是按规程规定。

2.电缆交流耐压时间较长,试验期间应注意试验电流的变化,试验前后应测量主绝缘的绝缘电阻

<<>12>>

更多关于串联谐振的分享

相关推荐

首页
武汉三新电力
导航
电话
短信
QQ咨询
地图